
| 光学特性 Optical Property | |
| 工作波长 Wavelength Range | 1310/1550nm(单模);1310/850nm(双模) |
| 插损 Insertion loss | <5dB(典型值: 2-3dB) |
| 插损偏差 Insertion loss ripple | ±1dB |
| 回损 Return Loss | 50dB(典型值: 63dB) |
| 串扰特性Crosstalk characteristics | >50dB |
| 允许最大光功率 Optical power handling | 23dBm |
| 光纤类型 Fiber types | 单模或双模带有3mm外护套 |
| 启动扭矩 Start torque | <1.0Nm |
| 机械特性 Mechanical Property | |
| 最大转速 Maximum speed | 100 rpm |
| 牵引力 Pulling strength | 10N |
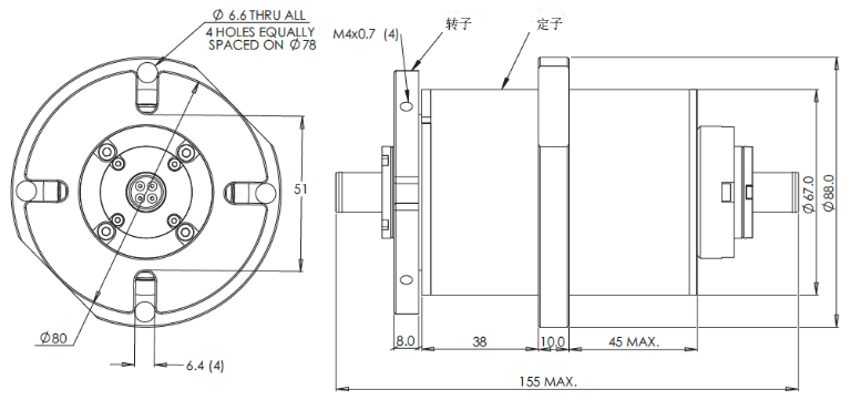
| 封装形式 Package style | 两端尾纤或FC/ST插口 |
| 连接器类型 Connector types | FC, SC, ST, SMA, 或 LC |
| 震动标准 Vibration standard | MIL-STD-167-1A |
| 机械冲击 Mechanical shock | MIL-STD-810G |
| 外套材料 Housing material | 不锈钢 |
| 环境性能 Environmental Performance | |
| 工作温度 Working temperature | -20~65°C |
| 存贮温度 Storage temperature | -25~75°C |
| 防护等级 IP grade | IP 65(IP 68 optional) |
| 使用寿命 Estimated life cycle | 1亿2百万转 |
| 认证 Certified | CE,RoHS ,FCC,SGS |
低损耗、高回波损耗,使用寿命长达1亿2百万转
无泄密,无电磁干扰;带压力补偿,密封性能好,
光纤接头可选 FC, SC, ST, SMA, or LC (PC and APC)
防水防尘性能强、适用的运作环境温差宽,恶劣环境下耐用
导弹制导系统
机器人系统
遥控车辆(ROVs)采矿
石油钻井系统
煤炭装载设备
军事用途的雷达天线信号传输
医疗系统
视频监视系统
保障国家或国际安全系统海底作业系统
紧急照明设备等等。
单模
双模或多模可选
单路或多路可选
外径尺寸和长度
电流
过信号类型
光纤接头类型
环线缆长度
通路数
波长
转速等